首页
Home
产品中心
Nav
应用案例
Nav
新闻资讯
Nav
关于我们
Nav
联系我们
Nav
专业电气成套产品制作
178-0513-4541
产品详情
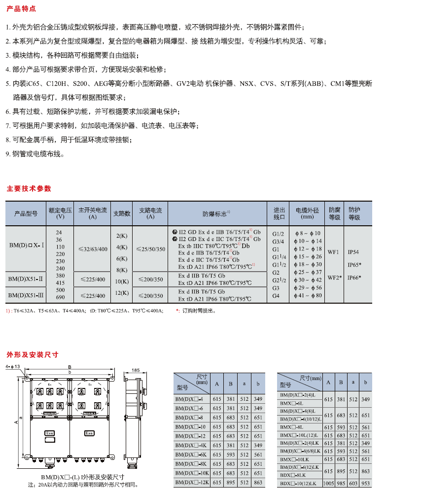
防爆照明配电箱(动力)
产品详情
电气成品全套制作
MECHANICAL
——————————————————————————————————
178-0513-4541
2317448418@qq.com
南京市栖霞区八卦洲街道 鹏岛路268号服贸区A区12-313